C R G CRG Reports Exterior Engine 1967 Model ID
Numbers Decode General Info Interior Transmission 1968 Model ID
Drivetrain Decode Options Underhood Chassis 1969 Model ID

CRG Research Report - © 2008-2024, Camaro Research Group

First Generation Camaro Seat Belts

Author -
Reviewed by the CRG
Last Edit: 04-Dec-2019
Previous Edits: 11-Mar-2018, 15-Jan-2018, 15-May-2009, 04-Apr-2008
Original Release: 19-Mar-2008

Index

Introduction

All 1967-1969 US- and Canadian-sold Camaros were equipped with seat belts. Lap belts for front and rear passengers were standard equipment. Front shoulder belts were optional on all convertibles and on all 1967 and early 1968 coupes (built prior to January 1968). Effective January 1, 1968, front shoulder belts were required for coupes (though still optional on convertibles) by the Federal Motor Vehicle Safety Standards (FMVSS) 208 and 209. (Note that the FMVSS rules have changed over the years and the current on-line version no longer directly references the 1968 requirements.) Rear shoulder belts were a rare option in 1968 and 1969.
Std and dlx belts
Standard and Deluxe Buckles

There were 2 basic seat belt styles – standard and deluxe. The standard belts used a plastic buckle cover that matched the belt color; the deluxe belts had a brushed steel buckle cover. The standard belt was the default belt on both standard and custom interiors. The deluxe belt was a separate option that could be added to either standard or custom interiors. The color of the belts was selected by the factory as a function of the interior color of the car. A tag attached to the belt identifies the belt's usage, date of manufacture, and manufacturer.

You can help with our research. Please contact us if:  

Seat Belt Configuration

1967 Service Bulletin 67-T-12
Originally, the 1967 Camaro was labeled as a 5-passenger vehicle and 2 sets of front lap belts and reputedly 3 sets of rear seat lap belts were installed. (I say reputedly because no 67 has been documented with 3 sets of rear belts.) Soon after the start of production, the rating was changed to a 4-passenger vehicle and only 2 sets of rear seat belts were installed for the remainder of the 1967 production. The dealers were instructed that any requests for rear center belts by customers were to be refused and to remove any installed center belts (see the service bulletin, dated 2/14/67, shown to the right).

In 1968 and 1969, the Camaro reverted to the 5-passenger rating and thus had 3 sets of rear seat lap belts. This means that later 68 and all 69 coupes had at least 4 sets of belts for the front seats (including the front shoulder belts) and 3 sets for the rear seats – for a total of 7 sets or 14 belts.

The bench seat was available in 67 and 68 under RPO (Regular Production Option) AL4. 67 benches only received 2 sets of front belts (i.e. no front center seat belt set). The 68’s with bench seats were rated for 6 passengers and received 3 sets of front belts (i.e. the front center seat belt set was installed).

Front lap belts:

Early 67 lap belts Lap Belt Retractor
Early 1967 belts 1969 retractor
Early 67 cars (built before the end of November / beginning of December) did not have retractors for the outboard front belts. Instead of the retractor, the early 67’s had a plastic boot which was attached to the mounting bolt. Later 67’s and all 68 & 69’s had front seat lap belts with retractors.

The front seat lap buckle belts were mounted to the floor tunnel in the center of the car. Early 67’s also used the plastic boot on each of the inboard belts. Later 67’s lacked these boots on the inboard belts. 68 & 69 cars used a larger plastic boot that covered the mounting hardware and the ends of both the shoulder and lap belts.

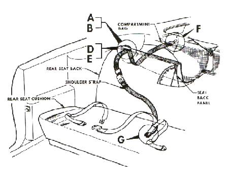
Front shoulder belts

67 coupes
The optional 67 front shoulder belts had the buckle belt attached to the headliner and the clip belt attached to the inboard floor. This was a low volume option and was a poor design which is described in more detail in the CRG 1967 Camaro front shoulder harness article.

68-69 coupes
The mounting of the coupe shoulder belts was improved in 1968 (which is good since they became standard equipment in January 1968!). The clip belt was attached to the headliner and the buckle belt was mounted to the floor on top of the lap buckle belt, both inside the flexible plastic boot.

67-69 convertibles
The front shoulder belts were optional in 1967-69 convertibles.
For 1967-69 convertibles, the shoulder buckle belt mounted to one of the anchor bolts for the convertible top mechanism. The belt was then routed between the interior trim quarter panel and the convertible top trim panel. A receiver was attached by the rear armrest to store the buckle. The clip belt was attached to the floor tunnel mount.

Note that the positions of the 68-69 convertible shoulder belt buckles and clips were the same as 67, unlike the 68-69 coupe which switched the positions of the shoulder buckle and clip belts.

1967 Convertible Front Shoulder Belt Mounting
Shoulder belts

69 Convertible Front Shoulder Belt, Storage Clip, and Mounting Bolt
Shoulder belts Shoulder belt clip Shoulder belt bolt

Rear lap belts

As mentioned above, most 67 Camaros had two sets of rear lap belts and 68-69 Camaros had three sets. There were 4 seatbelt mounting points under the rear seat for the rear lap belts. The belt installation configuration is shown below. Since almost all 67 cars did not have center belts for the rear seat, the center belt are not applicable to 67 cars. The rear fold-down seat option did not affect the seat belts. (LH & RH are as viewed from the driver’s position.)


 BOLT LOCATION        BELT 
 --------------    ------------
 LH outer bolt     LH clip belt 
 LH center bolt    LH buckle belt and center clip belt * 
 RH center bolt    buckle belt over buckle belt 
 RH outer bolt     RH clip belt 

* - It is believed the LH center belts could be installed with either the buckle anchor on top or with the clip anchor on top. Both variations are pictured below. (Click to enlarge.)

Note the direction of the anchor plates bolted to the floor. Although the anchor plates of the Norwood built 67 car shown in the picture are oriented downward, other 67's have been observed with the anchor plates oriented upward. It is unknown if this was a variation between the plants or in the assembly process. The anchor plate mounting orientation of the 68 and 69 rear belts was consistent and was as pictured.

67 Rear Belts 68 Rear Belts 69 Rear Belts
Rear belts Rear belts Rear belts

Rear shoulder belts

Rear shoulder belts were a rare option for 68 and 69 Camaros, with only 133 cars ordered with them in 68 and 115 cars in 69. The rear shoulder belts were installed the reverse of the front shoulder belts; the rear shoulder clip belt was attached to the floor whereas the front shoulder buckle belt was attached to the floor.

The rear shoulder clip belt was attached to the center floor anchor, sharing it with the rear lap belts.

68-69 coupes
The rear shoulder buckle belt for the coupe was attached to the rear package tray with the same bolts and bolt cover used to attach the front shoulder clip belt to the roof. The location of the right-hand side mounting holes in the package tray is shown below. There was a plastic sliding sleeve on the buckle belt to deal with the "tail" of the unused belt length.

68-69 Coupe Rear Shoulder Belt Coupe Rear Shoulder Belt
Mounting Details
Coupe Rear Shoulder Belt
Mounting Holes
Rear shoulder belts Rear shoulder belts Rear shoulder belts

68-69 convertibles
The rear shoulder buckle belt for the convertible was routed over the rear bulkhead and bolted to the rear quarter structure.

68-69 Convertible
Rear Shoulder Belt Mounting
  69 Convertible
Rear Shoulder Belt Mount
Rear shoulder belts   Rear shoulder belts
 

Seat Belt Tags

67 Deluxe Belt Tag
belt tag
69 Standard Belt Tag
belt tag
All belts have a tag sewn on them that identifies the manufacturer, the model year, the model number of the belt, and a date code for when the belt was made. The tags are attached to the belt such that the tags are not visible when the belts are normally positioned, but exceptions to this have been observed in the front center belts. The location of the tags varied and depended on the belt usage in the vehicle.

The date coding used the following format: A one- or two-digit number indicating the production week, a single letter to indicate which supplier plant (or possibly production line) produced the part, and a two-digit calendar year number. 50-A-68 decodes as manufactured the 50th week of 1968, by Irvin Industries. The belts of the same model number in a car are often dated the same, e.g. the front lap belts (model 2904) in a 69 are likely to have the same date. All standard belts had the letter A for the plant code (except for a few 68 LOS cars which had E & F coded standard belts, perhaps due to a supply issue) and deluxe Camaro belts had the letters C, E, & F.

There were 2 different manufacturers of seat belts for the Camaro. Irving Industries (originally known as the Irving Air Chute Co.) of Lexington, KY, manufactured the standard belts and Hamill Manufacturing, based in Washington, MI, manufactured the deluxe belts. The Irving name was corrected to Irvin in 1969 - the founder of the company was Leslie Irvin and through a clerical error, the extra 'g' was added. Note that Robbins and General Safety belts were used on other Chevrolet and GM models, but not on 67-69 Camaros.)

The model numbers in 1967 and 1968 were 3-digit numbers. The first digit for the standard belts is a “2” and for deluxe belts is a “1”. The remaining 2 digits define the location of the belt: front or rear, lap or shoulder. In 1967, the last two digits were different between standard and deluxe belts. In 1968, the last two digits were the same for both standard and deluxe belts.

The 1969 model numbers changed to a 4-digit code. The first digit remained the same as in 1967 & 1968, “2” for standard belts and “1” for deluxe belts. The second digit is a “9” (which may have denoted the first model year this coding was used, but usage of the 9 digit continued for many model years). The remaining 2 digits define the location of the belt. Standard and deluxe belts used unique codes in 69.

Model numbers are not dependent on color.

Note that other GM vehicles sometimes used the same belt model numbers; this is especially common with rear lap belts. The Camaro belts can be up to 4-6" shorter than same model number belts in other vehicles, simply because the Camaro is a smaller vehicle. The model number thus describes the general attributes of the belt (type of ends, tag location, etc.), but not the belt length.

Seat Belt Model Numbers
1967
Location Standard Deluxe
Front lap, bucket seat 210 - through week 48 of 1966 (no retractors)
214 - from week 49+ (with retractors)
125 - through week 48 of 1966 (no retractors)
127 - from week 49+ (with retractors)
Front shoulder  255 (coupe)
tbd  (convertible)
163 (coupe)
164 (convertible)
Rear lap 211 122

1968
Location Standard Deluxe
Front lap, bucket seat 237 137
Center lap, bench seat 235 131
Front shoulder  277 (coupe)
tbd  (convertible)
177 (coupe)
tbd  (convertible)
Rear lap 231 131
Rear shoulder tbd tbd

1969
Location Standard Deluxe
Front lap, bucket seat 2904 1907
Front shoulder  2950 (coupe)
2950* (convertible)
1952 (coupe)
1962 (convertible)
Rear lap 2910 1914 - through week 45 of 1968
1912 - from week 48+
Rear shoulder tbd 1955 (coupe)
* need confirmation.
68 Warning Label   69 Shoulder Belt Label
belt tag   belt tag

 

 

Warning tags were installed on 1968 front lap and shoulder belts. The installation of these warning tags seems to coincide with the front shoulder belts becoming mandatory. Instructional tags were also installed on the 1969 shoulder clip belts.

 

Seat Belt RPO Codes/Ordering Codes

There were three major seat belt options (deluxe belts, front shoulder belts, and rear shoulder belts), installed on two models (coupes and convertibles). But the actual RPO codes to order the belts are confusing due to the various combinations of these three options and the two models.

Deluxe lap belts (no shoulder belts) were RPO A39 for 67-69 convertibles and for 67 coupes and early 1968 coupes. 1. When shoulder belts became mandatory for coupes starting January 1, 1968, deluxe lap belts and front shoulder belts for coupes were ordered via RPO ZK3 1.

69 Convertible with
Deluxe Front and Rear Shoulder Belts
Convertible with belts

The optional front shoulder belts were available via RPO AS1 for the standard belt style and RPO A85 for the deluxe belt style. The shoulder belt type (standard or deluxe) had to match the rest of the belts. Of course, these two RPO’s don’t apply to coupes after January 1, 1968 because shoulder belts became standard on all coupes after that date. Deluxe shoulder belts (RPO A85) are not uncommon on 1969 Pace Car replicas, though it was not a required option for the replicas.

For 1968 and 1969, rear shoulder belts were also available. These were very low production; fewer than 250 were installed over the two years. They were not cheap (~$25) and most people didn't use belts, especially in the back seat. The RPO’s were AS5 for the standard belt style and AS4 for the deluxe belt style and they were the same cost as the front shoulder belts

Early in the 69 model year (the change appeared on the 12/68 order form revision), the ordering process was simplified. The dealer would specify any of the three ordering codes for the three major seatbelt options (below) and the appropriate belts would be installed (e.g. YA1 would cause deluxe shoulder belts (ZK3) to be installed when ordered on a coupe and A39 on a convertible). It appears that both the original RPO method and the revised method of ordering were acceptable and were used during 1969.

YA1 - Code for deluxe belts
YA2 - Code for rear shoulder belts
YA3 - Code for front shoulder belts (convertible only)

Most GM production volumes don't include YA1, YA2, and YA3 in the 1969 yearly production volumes. But at least one GM document includes it in the totals. It is unclear whether these totals were double counts of the options (perhaps the YA1 total is already reflected in the A39/ZK3 totals), but the totals are included below.

Export vehicles could be shipped without seatbelts via RPO A48. Seat belts that met the local market specifications were then installed by the vehicle importer.

Two other unique seatbelt RPO’s were available briefly. For a short time period in 1967, after GM changed the capacity of the Camaro rear seat from 3 people to 2 people, RPO A68 would add a standard rear center belt and RPO AL5 would add the deluxe rear center belt. This changed the rear seating to 3 persons. This was contrary to what Chevrolet had intended so these two RPO’s were cancelled after only 15 such units were noted as being built.

The 1967 cowl tag contains information on what seatbelts were originally installed. At the bottom of the tag in Group 5, code C is for standard shoulder belts, code Y is for deluxe seat belts, and code Z is for deluxe shoulder belts. Lack of a code indicates standard belts.

1967-69 Camaro Seatbelt Options and Quantities
1967 1968 1969
RPO Quantity Price Quantity Price Quantity Price Description
A39 51,247 $6.35 3,560 $7.90 4,901 $9.00 Deluxe front and rear lap seat belts. Applied to all models in 67. In 68 and 69, applied to convertibles only.
n/a $9.50 n/a Price with front bench seat (3 sets of front belts).
ZK3 n/a 22,988 $11.10 18,760 $12.15 Deluxe front and rear lap seat belts, and front shoulder belts. Coupe only.
$12.65 n/a Price with front bench seat (3 sets of front belts).
AS1 477 $23.20 70 $23.20 47 $23.20 Standard front shoulder belts. 67-69 convertibles & 67-68 coupes until Dec. 67.
A85 894 $26.35 222 $26.35 922 $26.35 Deluxe front shoulder belts. 67-69 convertibles & 67-68 coupes until Dec 67.
AS5 n/a 24 $23.20 78 $23.20 68-69 standard rear seat shoulder belts.
AS4 n/a 109 $26.35 37 $26.35 68-69 deluxe rear seat shoulder belts.
A48 n/a n/a n/a Seat belt delete (export)
A68 6 $6.35 n/a n/a 67 standard rear center seat belt, removed from AIM 19Jan67.
AL5 9 ? n/a n/a 67 deluxe rear center seat belt.
YA1 n/a n/a 5975* Deluxe seat belts (coupe or convertible). See A39/ZK3 for pricing.
YA2 n/a n/a 12* Rear shoulder belts (dlx or std). See AS4/AS5 for pricing.
YA3 n/a n/a 605* Front shoulder belts (dlx or std) (convertible only). See AS1/A85 for pricing.
                * see note in text above
 

Seat Belt Details

Deluxe Buckle Comparison
67-early 69   vs.   mid 69-70+
Belt comparison
 
Standard vs. Deluxe Clip
belt clips
1967-1969 buckles were similar with some minor differences:
 
67 vs. 68-69 Anchors
belt anchors
3-panel vs. 4-panel weave
belt weave

Deluxe seat belts buckles cannot be intermixed with the standard buckles. The hole in the steel clip of the deluxe belts is smaller than the standard belt clip hole (1/2" by 5/8” vs. 1 1/8" by 5/8").

The floor anchors on 67 belts were flat. The floor anchors on the 68 and 69 belts were bent to force the belts to be spaced apart when the anchors were stacked on top of each other.

A clear vinyl was molded onto the metal clips where the belt was attached (visible on the standard belt in the picture to the right). This apparently was only done on Irvin(g) belts.

There were two different belt materials used. 67 and 68 standard belts used a 4-panel weave web, 69 standard belts switched to a 3-panel webbing. 67, 68, and 69 deluxe all used the 3-panel webbing.

The thread used to sew the seatbelts is a special bonded nylon, thread size 138.

The front retractors have “L” and “R” molded into the plastic housing to identify the left and the right retractor. The early 67 plastic cover for the front lap belts is 5 1/4" long and has “LEON CHEM IND. INC., GRAND RAPIDS, MICH“ molded on it. The 68-69 plastic cover over the mounting hardware of the center front belts is made from a similar flexible plastic, with the manufacturer’s name, “STEERE ENT. INC., TALLMADGE O” molded on the inside.

Seat Belt Lengths

Lengths measured are installed webbing lengths (end of webbing to end of webbing, not including folded over sewn material). Buckle belts are measured with the buckle installed so the actual belt length would be about an inch longer. Belt lengths can vary up to an inch; the nominal lengths in inches are listed.

Note that other GM vehicles sometimes used the same belt model numbers and have different lengths, as discussed above.

Belt Clip Buckle
Front lap belts without retractors, early 67 19” 38”
Front lap belts with retractors, 67-69 13” 38-39”
Front shoulder belts, 67 coupe 19” 55”
Front shoulder belts, 68 & 69 coupe 40” 39”
Front shoulder belts, 68 & 69 convertibles 21” 48”
Rear lap belts, 67-69 19-20” 33-34”
Rear shoulder belts, 68 & 69 coupes 18” 48”
Rear shoulder belts, 68 & 69 convertibles 21” 60”

Bolts

67 Floor Anchor Bolts
Belt bolts
68-69 Floor Anchor Bolts
Belt bolts
Different floor anchor bolts were used for the different belt locations. All have 13/16-inch hex heads with ½ inch x 13 threads. Since these are a safety item, the threads often have a threadlock to prevent the bolts from loosening (visible on all three bolts in 68-69 bolt picture). Bolts that were visible as installed were chrome plated. The specified torque for the floor anchor bolts is 24 to 45 ft-lbs.

The mounting bolts for the front retractors were 1-1/4 inch in length with a 5/16 inch shoulder and were chrome plated for all three years .

The mounting bolts for the front center belts were 1-1/2 inch in length with a 9/16-inch shoulder. In 67, they were chromed since they were visible.

The rear seat bolts for all three years were gold cadmium plated (since they were under the seat and not visible) and were 1-1/4 inch in length, fully threaded.

The 68-69 front shoulder belt clip is mounted to the roof of the car with 2 bolts (1/2-inch hex head, 5/16-inch x 18 thread, 7/8-inch in length) with a plastic cover over both bolts. The specified torque for these bolts is 12 to 18 ft-lbs. When not in use, the shoulder belt is stored against the headliner on a pair of stainless steel wire holders with chrome base. The wire holder and its retainer are attached using 2 chrome Phillips-head screws.

 

Belt Color vs Interior Color

1967
Standard seat belts were available in black, blue, and gold. Deluxe seat belts were available in black, blue, bright blue, gold, red, and turquoise.

Int Paint Code Interior Trim Code Seat Belt Color
Interior Trim Color Standard Deluxe Standard Deluxe
E Black 756, 760 765, 767 Black Black
B Blue 717, 739 n/a Blue Blue
R Bright Blue n/a 716, 732 Blue Bright Blue
G Gold 709, 796 711, 712 Gold Gold
D Red 741 742 Black Red
T Turquoise n/a 779 Black Turquoise
K Parchment n/a 797 Black Black
Y Yellow n/a 707 Gold Gold

1968
Standard seat belts were available in black, blue, and gold. Deluxe seat belts were available in black, blue, gold, red, and turquoise.

Int Paint Code Interior Trim Code Seat Belt Color
Interior Trim Color Standard Deluxe Standard Deluxe
E Black 712, 713 714, 715 Black Black
B Blue 717, 718 719, 720 Blue Blue
G Gold 722, 723 721 Gold Gold
D Red 724 725 Black Red
T Turquoise n/a 726, 727 Black Turquoise
K Ivory /
Parchment
n/a 711, 730 Black Black
Q Black Houndstooth n/a 749 Black Black
V Ivory Houndstooth n/a 716 Black Black

1969
Standard seat belts were available in black, blue, and green. Deluxe seat belts were available in black, blue, green, and red.

Interior Trim Code Seat Belt Color
Interior Trim Color Standard Deluxe Standard Deluxe
Black 711 712, 713 Black Black
Blue 715 716 Blue Blue
Red 718 719 Black Red
Medium Green 721 722 Light Green Light Green
Dark Green 723 725 Black * Green
Ivory 727 729 Black Black
Orange / Yellow HT n/a 720, 714 Black Black

* Dark green interiors used black standard belts. Some documentation shows that green standard belts were used, but all observed belts have been black.

Footnotes

1 Front shoulder belts were originally intended to be included on all 68 Camaro coupes (early promotional literature and US owner's manuals indicate that shoulder belts were standard equipment). RPO AK1 was originally released to designate deluxe lap belts and front shoulder belts (and appears on the early 68 order forms). With the change to a mid-year release of standard shoulder belts, AK1 was not needed and orders with AK1 were changed to A39 (same RPO as 67). When shoulder belts became standard in January 1968, ZK3 was created for the deluxe belt option that included shoulder belts. AK1 was never used.

 



 CRG Home  Previous/Back
CSS Validated XHTML 1.0 Validated!